学修电风扇~常见电风扇的电路工作原理图
1、微电脑控制落地式电风扇电路工作原理图
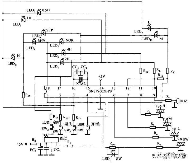
微电脑控制落地式电风扇的电路主要由直流工作电源电路、微电脑控制电路、驱动输出 电路和遥控信号接收电路组成。为了读图方便,我们以美的FS40 -6DR型落地式电风扇电 路图为例,来展开对微电脑控制落地式电风扇的工作原理作一个系统的分析。
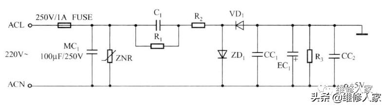
1)直流工作电源电路
直流工作电源电路如图所示,它产生一个+5V的直流电 压,给微处理器提供工作电压。

其工作原理是220V交流电先经电阻R1、R2和电容C1降压,再通过二极管ZD1和VD1整流,再经过电容EC1、CC1、CC2滤波后,输出+5V的直流工作 电压。熔断器串联在交流回路中,起过电流保护作用;电容MC1为抗干扰电容,滤除电网中的杂波信号;压敏电阻ZNR的作用是,当出现电网电压过高或遭雷击时,压敏电阻可击穿 短路后烧断熔断器,从而保护了后级电路不被损坏。
2)微电脑控制电路

微电脑控制电路主要以SN8P2602BP8微处理器为核心,接收并处理按键或遥控信号,根据用户的操作指令输出功 能驱动信号,经双向晶闸管驱动转叶电动机和摇头电动机,实现风速的调节、定时和摇头等。SW1为开/关机、调速按钮;SW2为扇风类型的选择按钮;SW3为定时设置按钮;SW4为摇头按钮。
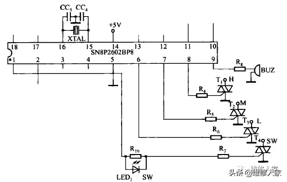
3) 驱动输出电路

主要由4个型号为ZD607的双向晶 闸管T】~T4和电阻R4 -R7组成。从原理图上可以看出,晶闸管T, ^T4的控制极都是由 SN8P2602BP8微处理器的第①、⑥、⑦、⑧脚控制的,当其中任何一个引脚输出高电平触 发时,对应的双向晶闸管就会导通,电动机得电运转。
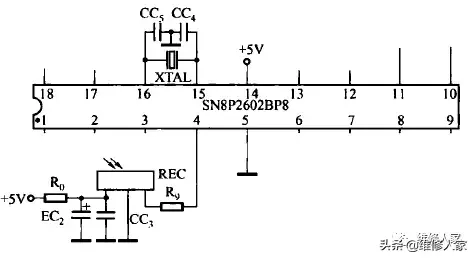
4) 遥控信号接收电路

主要有遥控信号接收头 REC和电阻R9、R。和电容EC?、CC3组成。其作用是接收风扇遥控器发射处来的红外线遥控 信号,并将它转换成电信号送给SN8P2602BP8微处理器的第④脚,再由微处理器内部处理 后,输出相应的功能信号。
2、台式电风扇的电路原理图

台式电风扇的工作原理图如图所示。主要由调速开关、机械定时器和风扇电动机组成。当用户旋动定时开关闭合,按下调速开关时,电动机因得电而运转。
3、鸿运扇的电路工作原理图

上图所示的是美的KYT2-25鸿运扇的电路工作原理图。主要由调速开关、导风开 关、跌倒开关、同步电动机、转叶电动机和定时器组成。电风扇直立时跌倒开关接通,这时打开定时开关,把调速开关调到一个挡位,这时电风扇电动机得电而运转,开始扇风。当按下导风开关时,同步电动机两端通入交流电流而旋转,带动导风窗而导风。
标签:
178
我,在北京的保险公司工作10年,晒出年薪,透露辞职的原因 如今越来越多的大学生在毕业以后希望自己能够符合一些高薪工作的要求或者是条件,这样就可以得到非常满意的稳定工作...
193
微信中为什么有那么多好友地区为安道尔?这回终于知道了 微信是我们使用最频繁的APP,细心的小伙伴会发现,微信中很多好友的地区显示安道尔,据统计数量达到一千万,为什么会有...
130
全球最恶心十大食物排行,中国就占了4个,这几个你一定吃过! 福布斯评选的“全球十大恶心食品”:乳酒、冰岛干鲨、蛇酒、煮毛蛋、猫屎咖啡、醉酒虾、燕窝、皮蛋、意大利活蛆...
146
简约大方的男士包包品牌大全图片 男士的包包款式简约又大方,非常经典百搭,感兴趣的男士看看本期的男士包包品牌大全图片吧! 1、七匹狼 七匹狼品牌创立于1990年,是中国男装行...
79
邯郸紫山游记 近日,到武安办事,途径紫山,顺便游览了一下。 远观紫山,紫峰塔隐约可见 紫山,又名紫金山,因山上石头呈紫褐色而得名,位于邯郸市丛台区三陵乡,距邯郸市区约...
107
《斩!赤红之瞳》之艾斯德斯:果然,还是战场更适合我! 故事背景:讲的西班牙内战,帝国vs国民军阵营 帝国 旗帜正中红白盾是自西班牙发源地:卡斯蒂利亚–莱昂王国的标记,顶...
123
甄美里女儿被骂亲自还击 大长今崔尚宫深入人心 丈夫涉操控股价 在娱乐圈内,很多的明星子女都是因为父母的原因而选择入行的,而李侑菲就是典型的例子。李侑菲的母亲甄美里是韩...
176
用清水煮田螺,不要随意加香油,混着田螺的腥气,可太味了 用清水煮田螺,不要随意加香油,混着田螺的腥气,可太味了。说起田螺,相信很多人都吃过爆炒田螺。尤其是在农村赶大...
133
青州旅行攻略 青州两日游 青州位于山东省潍坊市,一个小小的县级市但却拥有 众多值得打卡的旅游景区,是大家春季踏春郊游,周 末短途旅行的不错选择。 ★景点推荐 ①云门山 云门...
194
发挥特长抗疫,中国铁建金融企业补血助攻 【点击右上角加关注,全国产经信息不错过】 突如其来的疫情给各行各业带来了不小的资本压力,普遍存在资金压力大、资金周转不灵等现...
128
曾经的网红店LADY M宣布告别,但是事情好像不是看上去那样? 7月21日12点,据“LadyM内地官方”微信公众号消息,网红蛋糕品牌LADY M发布关于中国内地门店终止经营公告。 公告中显示,...
187
PDD28岁身家过亿,登上福布斯精英榜,以前的经历让人辛酸 在英雄联盟的主播群体中,PDD肯定是地位比较高的主播之一,在退役之后PDD投身直播工作,很快做得风生水起,成为鼎鼎有名...
125
狱警带你揭开看守所生活到底有多苦,进去第一件事就让人难以置信 看守所一般是关押犯罪嫌疑人,刑期较短的犯人,还有需要一些在法院继续审理,需要上诉的这些人。而我们总是会...
62
焦糖色显老?这7款大衣搭配,让你轻松驾驭俏皮可爱风 焦糖色作为时尚界最流行的颜色之一,自从被流行开始,就一直受到很多小仙女的关注。可能很多人都觉得焦糖色显老,不过小...
114
殷世航宣布分手,转身就和何婧婧在一起 近日,套璐璐和殷世航的感情遇到了危机,由于殷世航经常夜不归宿,套璐璐对此也是极不满意,既然两人已经恋爱,那么殷世航就不应该再像...
205
分享十个缝纫实用小技巧!学会了胜过好老师!再也不用请别人帮忙 想进入社区和小编、以及千万缝友互动的,可以点击下方加入社区。见置顶公告哟~ (此处已添加圈子卡片,请到今...
109
世界军用越野车系列50:港警采购内地剑齿虎防暴车七一亮相庆回归 关于香港警队采购内地的警用装备,一直算稀罕的新闻事件。而港媒5月25日报道采购内地“剑齿虎”大型非杀伤性反恐...
127
周易第四十七卦:困卦 泽水困 兑上坎下 周易第四十七卦 困 泽水困 兑上坎下 困:亨,贞,大人吉,无咎,有言不信。 彖曰:困,刚掩也。险以说,困而不失其所,亨;其唯君子乎?贞大...
66
200万能买一个女模特,暗网是什么?为何亲历者都闭口不谈? 你永远不知道人性的恶能够到什么程度,你也不会知道这个世界上真的有人是没有原因的坏。 在我们看起来匪夷所思的事...
79
张淇:带领黑豹乐队再续辉煌 2005年,秦勇因家庭原因退出黑豹乐队,9年如一日照顾生病的儿子,激情日益褪去。步入不惑之年后,面对家庭,大多数rocker都会完成从愤青到慈父的蜕变...